

依次联通 E D B A ,每次只联通一个,联通之前测量电流,电流在范围之内才接通下一个。
音频功放
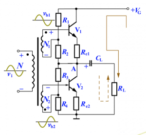
E 点是 无输出变压器的推挽功率放大器(OTL) 整个功能模块如下图:
注意,J 为耳机插口,喇叭为 8Ω/0.5W,三极管VT6,VT7为 S9013H ,放大倍数(β/hFE)约为250,C11为驱动电容,通过这个电容的充放电驱动喇叭发出声音。整个电路的原理参考 无输出变压器的推挽功率放大器(OTL) 里面的介绍,还是非常详细的。关键点在于E点的电流为什么是 1~2mA 。这个涉及到电路计算,我们先看简化后的电路图,如下:

我们可以看到,静态时,A点电位为VG/2,也就是整个电路电压的一半。如果我们的输入电压为 3V 那么,A点的电压就是 1.5V。根据恒兴HX-207的电路图,简化电路图的 R1对应 恒兴HX-207 的 R12,为120Ω,简化电路图的 R2对应 恒兴HX-207 的 R13,为100Ω,同样依次 R3 -> R14, R4->R15。恒兴HX-207 的Re1,Re2 不存在,因此电阻被认为是 0Ω ,不分配电压。
简化电路图的 R1,R2,R3,R4 组成一条独立的回路。由于电阻的分压原理, 简化电路图的 R1 分得的电压应该是 VG* (R1/(R1+R2+R3+R4)) 根据计算得到电压为 3.0 * (120/( 120 + 100 + 120 + 100)) = 0.81V ,也就是说 三极管 V1 的基极(B) 点的电压为 3.0 - 0.81 = 2.18V 。而发射极(E) 点的电压,由于是跟 A 点通过一个 0Ω的电阻直连,因此,电压应该与 A 点相同,都是 1.5V。
那么此时,三极管的基集(B)与发射极(E)之间的电压就是 2.18 - 1.5 = 0.68V。
三极管各个管教标注如下:
我们的教科书上通常都是说当三极管的基集与发射极之间的电压超过 0.7V的时候,才会出现导通。按理低于0.7V的时候不应该出现电流,但是实际上,三极管一直存在微弱的电流,只是低于一定的程度,我们人为的认为是阻塞状态。至于在 0.68V 的时候,究竟电流有多少呢? 我们参照 9013H 三极管的数据手册 (不同厂家的型号相同的三极管,参数上基本差不多,不会偏差非常多,因此任何厂家的一份参数文档都可以当作大致的参考),我们看到如下一张参数图:

从图中,我们可以看到,当在三极管的集电极(C)与发射集(E)之间的电压为1V,器件温度为25摄氏度的情况下,当基集(B)与发射极(E)之间的电压(VBE)为 0.7V的时候,三极管的导通电流大致在 1.0mA 左右。我们的电压在1.5V,器件温度差不多的情况下,数据相差不会非常离谱。两个三极管上的电压是相同的,因此电流也是一致的。这就是 E 点的电流在1-2MA的数据的由来。
实际上接线的时候,说明书是要求按照元器件类型进行安装,但是我们更建议根据功能进行安装,比如,先安装音频功放,然后测试这部分的电流,当这点的电流调试通过之后,在进行下一个功能模块的安装。
但是按照上图安装完成之后,测试E点的电流的时候,会发现电流非常大,差不多要25mA 以上。
这点造成的原因在于偏置电阻没有接通导致的,没有偏置电阻的三极管,处于饱和状态,以最大电流输出。
观察电路板,发现其在设计的时候,R15 需要借绿色中周电容的外壳连接到负极,如果绿色中周不安装,3V+ -> R12 -> R13 -> R14 -> R15 -> 3V- 这条通路是断开的。
如果需要单独测试 音频功放, 需要手工飞线 R15 到电源的负极,(注意,测试完成后一定要断开这个飞线 )如下图的蓝色飞线:

但是按照上图飞线完成之后,如果使用的是镍氢充电电池,测试E点的电流的时候,会发现电流非常小,基本在 1mA 以下。原因在于,单节镍氢充电电池的电压在 1.2V,而不是标准的 1.5V,结合上面计算,三极管的VBE电压差在 0.5V左右,观察三极管特性图,可以得到 E 电流必然在 1mA 以下。
前置低频放大
D 点是 前置低频放大电路的一部分,这部分属于纯粹的一个信号放大逻辑,使用的是 S9014C,放大倍数(β/hFE)约为200-600

从上面的电路看到,实质上 VT5 这个 S9014C ,由于电容C8的存在,直流信号是无法通过的,进行电路的静态分析时,C8以下的电路可以直接去掉。根据 三极管分析与计算,得到 VT5 部分在 D 点的电流计算

D 点属于 VT5 这个 S9014C 晶体管的集电极(C)点的静态工作电流(ICQ),我们计算首先基集(B)的的静态工作电流(IBQ) ,那么,这个电流应该是 IBQ≈3.0V/(100K+100)=0.03mA ,集电极(C)点的静态工作电流(ICQ)被三极管放大,需要乘以放大倍数 ,ICQ≈IBQ * 200 = 6mA/ ICQ≈IBQ * 600 = 18mA 也就是测试点 D 的电流应该在6-18mA 之间。与电路图要求的 3-5mA相差并不多。之所以出现差异,是因为我们假定三极管是没有电阻的,以及电阻本身的误差,温度的变化会导致电阻的阻值变动等。
这部分的接线比较简单,只要接线即可测试电流通路。
检波器
C 点属于检波器,需要连接的元件数量较多,注意购买的电路板跟电路图不匹配,其中 VT2/VT3 的位置标记错误,在测试C点电流的时候,如果按照下图连接是不行的。
此处不妨 VT2/VT3 全部焊接完成之后再进行测试,如下图:
接线完成后,依旧需要飞线处理一下,否则也是没有电流的,飞在 VT3的发射极跟R8的正极之间飞线。如下图:
中放
B 点属于中放部分,依旧需要飞线。或者安装红色的中周电容,VT2 发射极通过红色中周电容连接到负极的。
飞线位置在 VT2发射极与电源负极之间,如下图
天线引线焊接
天线引线的焊接,参照下图,尽管说明书中有说明,但是看的时候,都不是太注意,等到需要焊接的时候,才发现不知道如何焊接。

另外需要注意的是,电路板可能制作的不是非常精良,较长的线路往往存在断点,导致不通,组装的时候要注意这种情况,我两块板子的其中一块就存在这个问题,排查了较长时间。






